1. Thương hiệu Servo Powmax
Powmax là một thương hiệu Servo nổi tiếng đến từ Trung Quốc, chuyên nghiên cứu và phát triển, sản xuất và bán các hệ thống Servo, Robot công nghiệp, biến tần
Với định hướng phát triển bền vững, Powmax không ngừng được đầu tư vào nghiên cứu và phát triển, mang đến những giải pháp động cơ servo hiệu quả, đáp ứng nhu cầu đa dạng của khách hàng trên toàn cầu.

2. Bộ động cơ Servo Powmax 130-15015 2.3KW

Bộ động cơ Servo Powmax 130-15015 2.3KW
Thông số Kỹ thuật:
- Model: 130-15015 2.3KW
- Nguồn điện: AC220V
- Mức độ bảo vệ: IP65
-Công suất: 2.3KW
- Bộ mã hóa từ tính: 17bit
- Mô hình trình điểu khiển (Drive): E3-15ASB
- Momen xoắn: 15.0N
- Tốc độ định mức: 1500rpm
- Trọng lượng động cơ: 11.45kg
- Giao tiếp: RS485
- Chế độ điều khiển: Chế độ tốc độ, chế độ mô-men xoắn, chế độ vị trí
Kích thước động cơ

Thông số động cơ mặt bích 130mm



Kích thước Drive EQ-15ASB

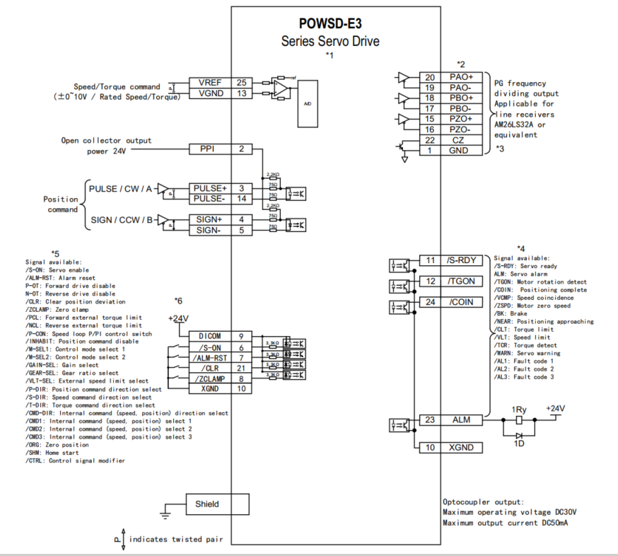
Lựa chọn Drive


Sơ đồ đấu nối điều khiển vị trí
